Gardinetti, Marcelo
Arquitecto, Editor de Tecnne · La Plata, Argentina
Resumen
La Silla Roja y Azul, diseñada por Gerrit Rietveld en 1918 y posteriormente policromada según los principios de De Stijl, constituye un objeto donde estructura y composición se articulan mediante un sistema de elementos lineales y planos independientes. La pieza se configura a partir de listones de madera dispuestos ortogonalmente, cuya modulación define tanto la estabilidad como la legibilidad constructiva, evidenciando una separación deliberada entre soporte y superficie. La aplicación cromática de colores rojo, azul, amarillo y negro no responde a criterios decorativos, sino a la diferenciación de funciones y a la lectura abstracta del conjunto. Desde una perspectiva espacial, la silla introduce una noción de descomposición volumétrica que traslada principios pictóricos al diseño tridimensional. En términos disciplinares, el objeto opera como una síntesis entre arte, arquitectura y mobiliario, consolidando una gramática formal coherente con el ideario neoplástico.
Palabras clave: Gerrit Rietveld, Silla Roja y Azul, Mobiliario Moderno, De STijl, Neoplasticismo.
Silla Roja y Azul: estructura y abstracción en el diseño de Gerrit Rietveld
La silla roja y azul de Gerrit Rietveld se compone de elementos independientes colocados en una disposición regular de planos y líneas. La silla fue diseñada de manera extremadamente simplificada para facilitar la estandarización de los elementos y su fabricación en serie. Rietveld utilizó listones y tablas de madera para disolver la masa corpórea de sus muebles y eliminar referencias históricas y eclécticas. El uso del color es clave en sus diseños para expresar la composición en términos de entidades independientes que forman un todo indisoluble.
Silla Roja y Azul, Gerrit Rietveld
Una característica que diferencia al grupo De Stijl de otros movimientos artísticos es que ubicó a todas las disciplinas que en las que actuaron en un mismo plano de igualdad. A pesar de ser un movimiento heterogéneo, cuyos miembros —a excepción de Van Doesburg— alternaban su permanencia, De Stijl logró imponer una línea de trabajo consolidada en sus principios. Van Doesburg convocó a lo largo del tiempo a diferentes artistas, pero razones de distancia o personales hizo que varios de estos participes tuvieran entre si contactos efímeros o circunstanciales.
Cuando Sigfried Giedion expresó que los diseños de muebles de Gerrit Rietveld de los años posteriores a 1917 era “manifiestos…[que] señalan la dirección de toda una nueva tendencia”, estaba reconociendo el aspecto básico de la singularidad de esas obras: nunca antes el diseño de mobiliario había estado (ni lo estará después) en la misma primera línea de una revolución artística. Habitualmente considerado como una de las denominadas “artes menores”, en realidad el mobiliario ha anunciado muchas veces nuevas tendencias estilísticas cuya plena realización se ha producido posteriormente en la arquitectura, medio más costoso, más lento en su evolución y por tanto más conservador y permanente. Sin embargo, y a partir del momento en que las preocupaciones formales pueden trasladarse eficazmente desde los objetos decorativos a los objetos situados en el plano del entorno —desde las teteras hasta los templos por así decirlo—, es siempre la arquitectura y no el diseño de mobiliario lo que acapara la atención1.
Silla Roja y azul: Modulación de planos sobre líneas
Rietveld tenía conocimiento de los trabajos que realizaban los arquitectos de De Stijl, porque el construyó maquetas para sus exposiciones y el mobiliario para algunas de sus obras. Entre 1914 y 1919, Rietveld colaboró con Van’t Hoff en el diseño del mobiliario de sus obras. En 1919 realizó la maqueta de una fábrica proyectada por Johanes Oud, y en 1923 una de las tres maquetas que Theo van Doesburg y Cornelis van Eesteren exhibieron en 1923 en la exposición de Léonce Rosenberg.
En 1917 Rietveld había montado un pequeño taller de ebanistería donde dio continuidad a la labor ebanista de su padre: En ese taller experimentó modelos de una nueva estética, alejada del eclecticismo holandés. Su objetivo era el diseño de muebles económicos y fácil ensamblaje de un modo artesanal con la intención de poder realzarse de forma seriada en una cadena de producción industrial. En ese taller, Rietveld experimento durante más de 15 años diseños de formas simples y pocos elementos; composiciones «livianas» articuladas de diferentes formas que exhiben un carácter etéreo donde la masa se desmaterializa en planos y líneas. Una de las composiciones más reconocidas de Rietveld es la silla roja y azul (rood/blaue stoel), aunque una primera versión sin pintar denominada Slat chair fue ejecutada en 1917, dos años antes de unirse al grupo neoplástico.

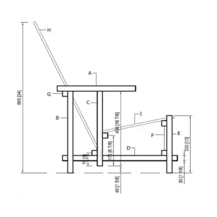
La silla se compone de tablas y listones colocados como una disposición regular de planos y líneas donde los elementos se prolongan más allá de sus uniones. Las barras verticales y horizontales sin encastar construyen una estructura que soporta soportan con dos planos simples encima de la estructura de sostén. Cada uno de los elementos mantiene su propia identidad, pero juntos componen el equilibrio dinámico que permite alcanzar la forma espacial buscada. La silla relega toda referencia de diseños ergométricos para establecerse como un objeto artístico funcional. Su concepción extremadamente simplificada facilita la estandarización de los elementos para su fabricación en serie.

Rietveld utiliza listones y tablas de madera porque facilitan su construcción y su producción seriada, pero además le permite disolver la masa corpórea de sus muebles en un elemento visualmente permeable que elimina toda referencia historicista y ecléctica. El uso de elementos simples confiere a los diseños de Rietveld claridad conceptual y simplicidad en la construcción. La silla original fue realizada en madera al natural, y una versión posterior fue pintada de blanco, gris y negro. Tiempo después, Rietveld pintó el asiento de color azul, el respaldo de rojo y los elementos estructurales de negro, con las aristas menores amarillas, lo que supone un acercamiento a las obras de Mondrian, aunque algunos autores como Theodore Brown relativizan la influencia de Mondrian en las obras de Rietveld.
“la influencia específica de Mondrian en la obra de Rietveld es discutible. Rietveld que, por cierto, nunca conoció a Mondrian ni poseyó ninguna de sus pinturas, había establecido relaciones de línea, plano y color en su mobiliario antes de 1920, es decir antes de las composiciones de Mondrian de la misma época. En 1918 y 1919, Mondrian todavía componía en términos de linea o de plano; ninguno de los dos alcanzó un estilo maduro hasta 1921. En su silla roja-azul de 1918 Rietveld había combinado líneas, colores primarios y planos ininterrumpidos de forma que anticipaba las obras de madurez de Mondrian2”

El uso del color es clave para expresar la composición en términos de entidades que tienen independencia entre sí, pero que en conjunto forman un todo indisoluble con identidad espacial. Los tonos utilizados varían en algunos modelos experimentales que Rietveld realizó (se conoce un modelo en negro y verde) antes de dogmatizar el rojo y el azul. Rietveld escribió un artículo en 1928 para la revista i10 donde expresa su punto de vista respecto al uso del color:
“Nuestro sentido de la vista puede ser dividido en sentido del color, sentido de la forma y sentido del espacio. Cuando percibimos claramente una forma tridimensional nuestra retina se ajusta a las diferentes distancias implicadas y se curva en relieve de acuerdo con la forma del material observado. Cuando percibimos un color la retina se extiende rígidamente y se ponen en marcha tres clases de terminaciones nerviosas. La primera aprecia el rojo, la segunda el azul y la tercera el amarillo; todas juntas el blanco. Cuando sólo trabajan las terminaciones nerviosas sensibles al rojo, apreciamos un rojo intenso. Pero cuando las otras colaboran parcialmente, experimentamos un rojo pálido que en realidad es blanco teñido de rojo. Esto sólo sucede si la actividad de las terminaciones nerviosas del rojo es mayor que la de las otras. El sentido del espacio implica una posición definida de la retina en relación con las lentes (ángulo de visión). Cuantos más sentidos actúen simultáneamente, menos intensa será la experiencia de la realidad. Las impresiones inusuales, constreñidas o rutinarias, es decir, las impresiones sobre sentidos inactivos (fatigados o desenfocados), son nocivas, confusas y destructivas para nuestro organismo. La experiencia sensorial directa, con los sentidos enfocados activamente tiene como consecuencia la perpetuación y expansión de nuestra existencia3”.
Rietveld mantuvo los mismos patrones de diseño en la elaboración de otros modelos. En 1923 diseñó la silla Berlín, para una exposición de Vilmos Huszar, una articulación sutil de tablas de madera rectangulares verticales y horizontales pintadas en blanco y negro. En 1924 diseña la casa Schröder, donde aplica en la fachada el mismo recurso que en sus muebles: independencia de las partes, elementos que se prolongan más allá de su intersección y el uso del color para definir las propiedades de cada elemento4. Para esa casa diseña la silla Zigzag, un mueble que semeja una tabla plegada y no de ese modo no utiliza patas como soporte. Es el comienzo de un período donde comienza a trabajar con muebles de madera contrachapada que no tienen más que tres elementos, La silla “Beugelstoel” de 1928 está constituida por una lámina de madera curvada y un respaldo soportado por dos marcos tubulares metálicos a modo de patas. A finales de la década de 1940 diseño una silla relativamente pequeña de color rojo, la silla Prototype, la primera en la que utiliza dos chapas curvadas para el respaldo y el asiento, y perfiles en T de acero prefabricados para las patas, totalmente laqueada en rojo. Rietveld reduce el mobiliario a sus formas esenciales para que cumplan su objetivo funcional sin interferir en el espacio.
“con esta silla he intentado que cada parte simple, y en su forma más elemental, esté de acuerdo con la función y el material-la forma, por tanto, que es capaz de armonizarse con el conjunto. La construcción se ha adaptado a las partes de manera que ninguna de estas domine sobre las demás o esta subordinada a ellas. De ese modo, el conjunto se sitúa libre y claramente en el espacio, y la forma depende del material5”
En la silla roja y azul, el espacio penetra entre las partes que componen la estructura. Su diseño se destaca por un delicado equilibrio formal y su simplicidad estructural, mediando un orden geométrico que sintetiza las preocupaciones formales del grupo. De Stijl pregonaba el arte total, y en ese concepto valoraba el mobiliario en el mismo plano que la arquitectura y la pintura. En tal sentido, la silla Roja y Azul, resultó un manifiesto tridimensional elaborado dentro de los postulados del grupo6. Filler señala que la silla roja y azul permitió confluir las concepciones teóricas de Mondrian y Van Doesburg7. Sin el empleo de complejas técnicas industriales, la silla es portadora de un carácter unívoco. Por sus cualidades compositivas la roja y azul silla se convirtió en un verdadero manifiesto del movimiento De Stijl, tal como luce en la actualidad en el Museo de Arte Moderno en Nueva York.

Notas Silla Roja y Azul
1 Martin Filler, “Los muebles de Gerrit Rietveld, Manifiestos de una nueva revolución, en Milderd Friedman (ed) De Stijl 1971-1931 Visiones de una utopía (Madrid, Alianza Editorial: 1982).125
2 Theodore M. Brown, The Work of G Rietveld architect, Cap. III, Utrecht, A.W. Bruna & Zoon, traducido por Ana Guadaño y Rafael García en ETSAM, Cuaderno de Notas Núm. 2 (1994) ISSN: 1138-1590
3 Gerrit Rietveld, “Comprensión” (¡10, 2, 1928 17/18) 89-90) en Rafael García García (ed) Dos textos de Rietveld, Cuaderno de notas: Universidad Politécnica de Madrid 1997, Nº 5 37-52
4 “La casa es, y lo que es más importante parece ser, la unión de partes distintas. Una forma de enfatizar la singularidad de las partes arquitectónicas es el solape de los distintos planos y líneas. Incluso los elementos lineales mantienen su identidad. Por ejemplo, el pilar metálico en «I» colocado al sudoeste, pasa al lado de los bordes del balcón y del tejado saledizo, extendiéndose más allá de los límites de éste. En ningún momento intersecciona con los planos horizontales en sus esquinas, sino en un punto a lo largo de sus bordes. Si hubiera hecho intersección en las esquinas, el efecto hubiera sido estático, pero según está, su posición aumenta no sólo la eficiencia estructural del sistema sino también la calidad dinámica del diseño. Las intersecciones del elemento vertical en «I» con el balcón y el tejado son horizontales; la viga en «I» del balcón es perpendicular al muro de la casa y la viga del tejado paralela. Al igual que los elementos de la silla roja y azul de 1918 y de la lámpara colgante de 1920, los elementos arquitectónicos se extienden más allá de los puntos de su intersección tanto por razones estructurales como estéticas” Theodore M. Brown, The Work of G Rietveld architect, Cap. III, Utrecht, A.W. Bruna & Zoon, traducido por Ana Guadaño y Rafael García en ETSAM, Cuaderno de Notas Núm. 2 (1994) ISSN: 1138-1590
5 Gerrit Rietveld, citado en Filler, Los muebles de Gerrit Rietveld. 125
6 “La forma de la silla, roja y azu, también es de importancia central. Rietveld ha re-imaginado fundamentalmente el aspecto que podría tener una silla. Vista de perfil, la silla se compone de una rejilla asimétrica rota por el ángulo del respaldo (fig. 11). También se puede ver una cuadrícula cuando se mira la silla de frente. En este caso, el asiento actúa como el suelo visual del que emana la rejilla: las patas dividen el asiento como suelo verticalmente, mientras que los listones dividen el suelo horizontalmente (fig. 12). La estructura en cuadrícula, combinada con las articulaciones de Rietveld, ha llevado a los estudiosos a comparar los sillones de Rietveld -y la Silla Roja y Azul, en particular- con las pinturas de Mondrian. Estos estudiosos ven ambas obras como representaciones del espacio si se pudiera tallar una pieza de espacio individuado, que aquí se está imaginando como una cuadrícula cartesiana” Courtney Rawlings “Gerrit Rietveld’s Red and Blue Chair: Seeing Experiments in Space” (Atalnat, High Museum of Art, 2019)
7 “De entre los diseños de muebles de Gerrit Rietveld —no menos de 75 objetos, la mayoría de ellos realizados entre 1917 y 1934— destacan tres piezas que deben figurar sin duda junto al arte más original e importante de nuestro siglo. Lo que da tan especial valor a su rood/blaue stoel (silla en azul y rojo) de 1918, a la Berlijnse Stoel (Silla Berlín) de 1923 y a la Divantafeltje (mesa auxiliar) de 1923 no es sólo que resuman de manera completa y sucinta, en una forma física, los supuestos filosóficos del movimiento De Stijl; más importante es que el primero y más célebre de ese gran trio de diseños fue un estímulo para que se fusionaran las formulaciones conceptuales de los dos grandes teóricos del grupo stiljliano, Piet Mondrian (a quien, sorprendentemente, Rietveld no llegó a conocer y Theo Van Doesburg” Filler, “Los muebles de Gerrit Rietveld”. 126
Imágenes: Centraal Museum, Utrecht; © CMU/ Ernst Moritz 2009




Silla Roja y Azul resúmen:
- Rietveld experimentó en su taller de ebanistería durante más de 15 años, desarrollando un diseño de muebles de formas simples, pocos elementos y carácter etéreo, alejado del eclecticismo holandés.
- La silla roja y azul, una versión posterior de su primera «Slat chair» de 1917, se caracteriza por una composición de planos y líneas, donde los elementos se prolongan más allá de sus uniones.
- El uso del color (rojo, azul, negro, amarillo) es fundamental para expresar la independencia y el equilibrio dinámico de los elementos que conforman la silla.
- Rietveld aplicó estos mismos principios de diseño a otras piezas de mobiliario, como la silla Berlín y la casa Schröder, demostrando una coherencia conceptual en su obra.
- La silla roja y azul se convirtió en un verdadero manifiesto tridimensional del movimiento De Stijl, sintetizando las preocupaciones formales del grupo y permitiendo confluir las ideas de Mondrian y Van Doesburg.
- Sin recurrir a técnicas industriales complejas, la silla logra un carácter unívoco y una síntesis formal que la han convertido en una pieza icónica del diseño moderno.
TECNNE | Arquitectura, pensamiento crítico y práctica cultural ©Marcelo Gardinetti 2026 – Todos los derechos reservados.
El contenido de este sitio web se encuentra protegido por la legislación vigente en materia de propiedad intelectual e industrial. Salvo en los supuestos expresamente previstos por la ley, queda prohibida su reproducción, distribución, comunicación pública o transformación sin la autorización previa del titular de los derechos correspondientes. Las imágenes y fotografías reproducidas se utilizan exclusivamente con fines informativos, críticos y educativos, en el marco de la divulgación de obras artísticas y arquitectónicas de relevancia cultural. En todos los casos, proceden de fuentes de acceso público en línea, se presentan en baja resolución, carecen de idoneidad para usos comerciales y van acompañadas de la correspondiente mención de autoría, sin que ello implique desconocimiento alguno de los derechos de propiedad intelectual que les son inherentes. Los esquemas y bocetos que acompañan los artículos han sido elaborados por el autor a partir de material fotográfico preexistente, con una finalidad analítica e interpretativa, reconociendo explícitamente la autoría original de las obras representadas y respetando íntegramente los derechos que las protegen.
Tecnne ©2012. actualizado 2019